home

Feux de fin de convoi

Ici on parle de tout et de n'importe quoi. C'est le blabla du forum quoi !!

Re : Feux de fin de convoi

Messagepar zozo » 11 Janvier 2009, 22:36

Tout dépend tu types de led que tu utilises et ton alim et l'état des voies. Mes voies étant (mon premier réseau aujourd'hui coupé en deux ^_^) en coupons et des aiguilles à pointe plastique, les coupures possibles étaient nombreuse >> s'axer sur une capacité plus grande qu'en DCC



Jai pas mon premier essai de feux de fin de convoi sous la main, mais je m'en rappelle que la capa n'étai pas assez grande à cause de l'état de la voie...



Après si la voie est nettoyée régulièrement, avec du rail flexible et et pointes de coeur métal cela doit suffire.



Si ta plusieurs condos sous la main fais un circuit provisoire ou un circuit final avec de prises tulipes au condo pour le changer si ca ne vas pas.
Avatar de l’utilisateur
zozo
 
Message(s) : 0
Inscrit le : 16 Décembre 2006, 01:00

Re : Feux de fin de convoi

Messagepar gilles.routier » 12 Janvier 2009, 11:34

Salut l'alim de mon réseau est bonne et je compte utilisé des leds de diam.2mm,en condo j'ai du 220 et du1000 je ferai des essais avec les deux sur une plaque, Merci à tous pour les réponses Gilles.
Gilles Routier Multimaus / roconet
Avatar de l’utilisateur
gilles.routier
 
Message(s) : 0
Inscrit le : 24 Mars 2007, 01:00

Re : Feux de fin de convoi

Messagepar c.delarnaque » 12 Janvier 2009, 19:31

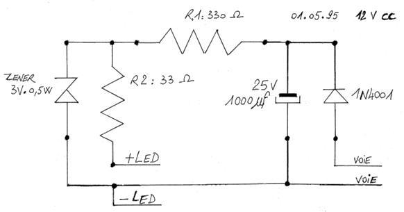
Un exemple de feux de fin de convoi que j'ai installé sous un fourgon DD Jouef. Le montage prévu pour du 12 V CC date un peu (1995). Par manque de place, le pont de diode est remplacé par une seule diode 1N4001. Inconvénient lorsque le wagon est refoulé : les feux rouges ne sont pas éclairés.

20090112182951.jpg
20090112182951.jpg (116.12 Kio) Consulté 4622 fois




20090112182952.jpg
20090112182952.jpg (15.71 Kio) Consulté 4622 fois
C. Delarnaque
Avatar de l’utilisateur
c.delarnaque
 
Message(s) : 1400
Inscrit le : 13 Juin 2005, 00:00

Re : Feux de fin de convoi

Messagepar c.delarnaque » 12 Janvier 2009, 19:38

Sans souvenir précis mais question de taille, le condensateur caché à la place du siège AR de la VW Golf doit être de moindre capacité que la valeur indiquée sur le schéma.

20090112183641.jpg
20090112183641.jpg (106.03 Kio) Consulté 4622 fois


Le montage reste assez discret lorsque le véhicule est posé sur la voie.

20090112183642.jpg
20090112183642.jpg (103.3 Kio) Consulté 4622 fois




Amicalement,
C. Delarnaque
Avatar de l’utilisateur
c.delarnaque
 
Message(s) : 1400
Inscrit le : 13 Juin 2005, 00:00

Re : Feux de fin de convoi

Messagepar gilles.routier » 13 Janvier 2009, 14:12

Belle instalation,le condensateur à la place arrière de la golf...fallait le faire !!Si je regarde ce qui se fait et ce que je sais faire,j'ai encore du chemin à faire Salut à tous Gilles.
Gilles Routier Multimaus / roconet
Avatar de l’utilisateur
gilles.routier
 
Message(s) : 0
Inscrit le : 24 Mars 2007, 01:00

Re : Feux de fin de convoi

Messagepar zozo » 13 Janvier 2009, 23:08

Bonne idée pour le condensateur.



Les toilettes et pateformes d'accès ainsi que les dessous de caisse sont les endroits priviliégés de nos grooses bêtes cylindriques... A peindre à la couleur de son environnement pour qu'il soit plus discret.
Avatar de l’utilisateur
zozo
 
Message(s) : 0
Inscrit le : 16 Décembre 2006, 01:00

Re : Feux de fin de convoi

Messagepar gilles.routier » 14 Janvier 2009, 19:53

J'ai ENFIN;) reçu le matos qui me manquait je vais m'y atteler dés ce week-end
Gilles Routier Multimaus / roconet
Avatar de l’utilisateur
gilles.routier
 
Message(s) : 0
Inscrit le : 24 Mars 2007, 01:00

Re : Feux de fin de convoi

Messagepar gilles.routier » 16 Janvier 2009, 22:49

ça marche pas:?: ça met ma multimaus en court-circuit systèmatiquement week-end difficile en perspective
Gilles Routier Multimaus / roconet
Avatar de l’utilisateur
gilles.routier
 
Message(s) : 0
Inscrit le : 24 Mars 2007, 01:00

Re : Feux de fin de convoi

Messagepar gilles.routier » 18 Janvier 2009, 18:12

ça maaaarche!!!utilisant une plaque à bandes j'avais oublié de sectionner celles passant sous le pont de diodes et sous la résistance.....merci encore à tous pour votre aide Salut Gilles.
Gilles Routier Multimaus / roconet
Avatar de l’utilisateur
gilles.routier
 
Message(s) : 0
Inscrit le : 24 Mars 2007, 01:00

Précédent

Retour vers DISCUSSION GENERALE

Qui est en ligne ?

Utilisateur(s) parcourant ce forum : Aucun utilisateur inscrit et 2 invité(s)