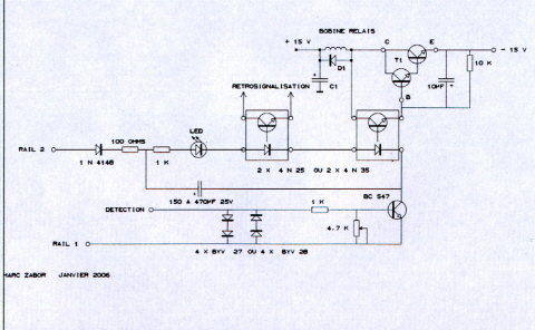
Bonjour
personnelement j'utiliserais un détecteur par consommation de courant
sure fiable facile à réaliser et pas chere .
pas besoin d'aimant ou ILS ou d'infra rouge , j'ai abandonné tous ces systémes moyennement fiable
pour ce petit montage au possibilié immense un vrai circuit passe partout .
commande de signaux de ralentissement et d'arrêt commande de PN etc...

- 2007120580346.jpg (102.99 Kio) Consulté 2924 fois
j'en ai réalisé un par canton sur mon réseau et ca fonctionne à merveille en plus la possibilité d'une rétrosignalisation sur le TCO
amicalement
Marc