home

Aide pour brachement digital

Ici, retrouvez absolument tout sur ce qui revolutionne la commande de nos trains électriques depuis plusieurs années : Le Digital. Toutes les questions, les remarques, les conseils, les aides au montage et dépannages en tout genre...

Aide pour brachement digital

Messagepar vvchris75 » 16 Octobre 2016, 19:33

Bonsoir,

Je suis en train de poser ma voie et je souhaiterai de l'aide pour le branchement en digital de mon niveau -1

Il me semble que j'ai crée une boucle de retournement que j'aimerai traiter avec un module de zone de detection de courant et non pas de avec un module de detection de court circuit.

Pensez-vous que le brachement du plan ci-dessous soit correct?

n-1.jpg
n-1.jpg (155.98 Kio) Consulté 4824 fois


Merci d'avance pour vos réponses

Christopher
vvchris75
 
Message(s) : 76
Inscrit le : 31 Juillet 2012, 00:00

Re: Aide pour brachement digital

Messagepar phil95 » 17 Octobre 2016, 14:23

Moi j'aurai juste mis un relais commandé en même temps que la TJD. :roll:

ou mieux, utilisé les contacts disponibles si la TJD est commandée par un moteur Tortoise ou equivalent.
phil95
 
Message(s) : 58
Inscrit le : 10 Mars 2015, 10:57

Re: Aide pour brachement digital

Messagepar vvchris75 » 18 Octobre 2016, 20:50

Bonsoir

Merci beaucoup pour la réponse!

Je vais utiliser effectivement des moteurs tortoises. (Livrés aujourd'hui) :D

Si j'ai bien compris je n'ai pas besoin de module de retournement? C'est une bonne nouvelle!

Par contre je débute dans le digital et je n'y connais rien en branchement. Donc si je ne me trompe pas, je dois

-cabler la tjd de la manière suivante:

peco_electrofrog_crossing.gif
peco_electrofrog_crossing.gif (5.27 Kio) Consulté 4740 fois


-Relier 2 tortoises à cette TJD (il faut que je trouve comment faire mais je ne pense pas que ce soit très compliqué)

-Cabler les rails gauches qui sont en amont et en aval de la TJD entre eux.

-Cabler les rails droits qui sont en amont et en aval de la TJD entre eux.

Et le tour est joué?


Autrement si je ne dois pas faire comme ça aurais-tu l'amabilité de m'expliquer comment faire?

Bonne soirée

Christopher
vvchris75
 
Message(s) : 76
Inscrit le : 31 Juillet 2012, 00:00

Re: Aide pour brachement digital

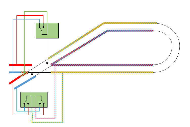
Messagepar phil95 » 18 Octobre 2016, 22:20

Moi je brancherais comme ça:

TJD_boucle retournement.png
TJD_boucle retournement.png (18.31 Kio) Consulté 4731 fois
phil95
 
Message(s) : 58
Inscrit le : 10 Mars 2015, 10:57

Re: Aide pour brachement digital

Messagepar vvchris75 » 20 Octobre 2016, 22:32

Merci beaucoup pour ce schéma! Je vais l'étudier avec attention,

Encore merci ☺
vvchris75
 
Message(s) : 76
Inscrit le : 31 Juillet 2012, 00:00


Retour vers DIGITAL

Qui est en ligne ?

Utilisateur(s) parcourant ce forum : Aucun utilisateur inscrit et 3 invité(s)