home

eclairage avant et arriere Picasso

ELECTRICITE - ELECTRONIQUE (hors Digital)

eclairage avant et arriere Picasso

Messagepar baloo » 02 Mars 2015, 18:23

Bonsoir mes amis du forum

Je reviens vers vous pour une aide concernant les feux avant et arriere de mon picasso
j'ai reussi à le digitaliser, a mettre l'eclairage interieur, ( je progresse !!! )
Mais il me reste à mettre la lumiere blanche à l'avant et la rouge à l'arriere.
quelqu'un peut il m'aider par un schéma le plus simple possible, j'ai des led blanches pour l'avant et des rouges pour l'arriere, de mon décodeur il me reste le fil jaune et le blanc, le bleu je l'ai utilisé pour mon eclairage interieur, mais je peux me repiquer dessus
Si l'éclairage n'est pas reversible ce n'est pas grave, pour mon premier bebe se seras dejà pas mal d'avoir deux feux avant blanc et deux rouges à l'arriere
Merci d'avance

PS : le plus simple possible
baloo
 
Message(s) : 221
Inscrit le : 28 Octobre 2014, 19:36

Re: eclairage avant et arriere Picasso

Messagepar JH » 02 Mars 2015, 19:32

Bonsoir,
Le fil blanc pour les feux blanc et rouge en marche avant, avec le bleu
Le fil jaune pour les feux rouge et blanc en marche arrière, avec le bleu
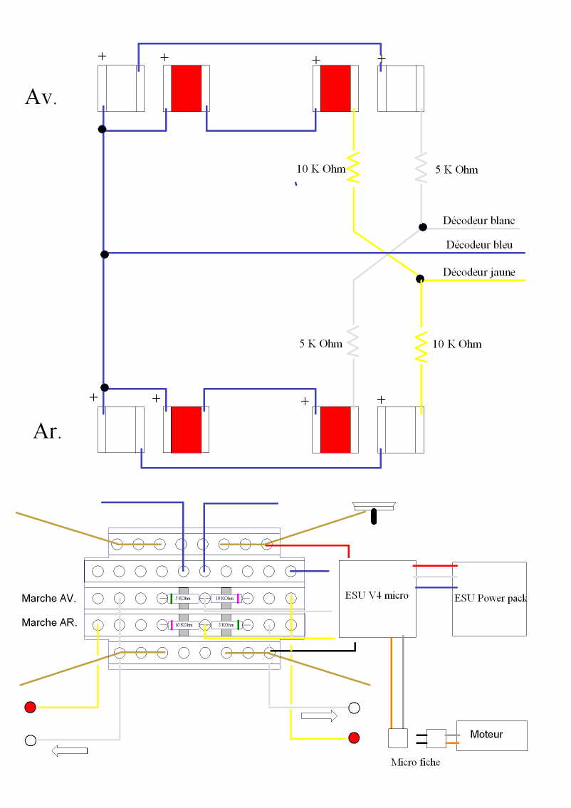
J'ai fait ce montage pour ma draisine, désolé mais impossible de faire plus simple; Les résistance varient selon les leds utilisées.
En bas du schéma les connections pour la draisine, le haut répond a ta question.
Cordialement Jacques
Pièces jointes
Leds draisine.jpg
Leds draisine.jpg (57.77 Kio) Consulté 12561 fois
Intellibox + EcoS n/b + HSI88 + RM-GB-8-N + LS 150 + Tortoise + signaux Drim3d +voies Tillig + Windigipet pro X 1.3 PC Windows 10 + moniteur
Avatar de l’utilisateur
JH
 
Message(s) : 336
Inscrit le : 04 Mars 2009, 01:00

Re: eclairage avant et arriere Picasso

Messagepar baloo » 02 Mars 2015, 20:01

Merci pour ta réponse,

Par contre deux questions, a quoi correspondent les carrés a gauche et a droite des carrés avec le rouge a l'interieur, la seconde si je prend le schema en haut pourquoi le moins du caré a gauche sans rouge est relié au plus du carré sans rouge a droite, je n'y connais rien en electricité
merci
baloo
 
Message(s) : 221
Inscrit le : 28 Octobre 2014, 19:36

Re: eclairage avant et arriere Picasso

Messagepar JH » 02 Mars 2015, 21:36

Les carrés représentent des led CMS Carré blanc feux blanc, carré rouge feux rouge ( composant montage en surface ) le plus est relier au moins car c'est un montage dit en série. Des résistances servent a éviter de cramer les leds et avoir une lumière pas trop forte. Jacques
Intellibox + EcoS n/b + HSI88 + RM-GB-8-N + LS 150 + Tortoise + signaux Drim3d +voies Tillig + Windigipet pro X 1.3 PC Windows 10 + moniteur
Avatar de l’utilisateur
JH
 
Message(s) : 336
Inscrit le : 04 Mars 2009, 01:00

Re: eclairage avant et arriere Picasso

Messagepar baloo » 02 Mars 2015, 23:47

Ok j'ai compris, mais moi je n'ai pas de led cms, ce sont des leds avec deux pattes une longue pour le + et la petite pour le - peut tu m'aider quand même
Merci
baloo
 
Message(s) : 221
Inscrit le : 28 Octobre 2014, 19:36

Re: eclairage avant et arriere Picasso

Messagepar JH » 03 Mars 2015, 10:33

OK je suppose que ce sont des led 1,8 mm ? Une led est un composant électronique, c'est une diode électro luminessante.
Le schéma donné est identique, on remplace les carrés cms par tes led. La patte longue + est le fil bleu la patte courte - est le fil blanc pour les led blanche et le fil jaune pour les led rouge. Sur la patte + on soude une résistance I000 Ohm. ( Cela peu varier selon l'intensité recherchée ) Un petit montage avec une pile de 9 Volt aide pour vérifier le montage
A+ Jacques
Pièces jointes
DSCF1877.JPG
led 1,8 mm
DSCF1877.JPG (123.97 Kio) Consulté 12519 fois
DSCF1878.JPG
Pour faire des essais
DSCF1878.JPG (216.31 Kio) Consulté 12519 fois
Intellibox + EcoS n/b + HSI88 + RM-GB-8-N + LS 150 + Tortoise + signaux Drim3d +voies Tillig + Windigipet pro X 1.3 PC Windows 10 + moniteur
Avatar de l’utilisateur
JH
 
Message(s) : 336
Inscrit le : 04 Mars 2009, 01:00

Re: eclairage avant et arriere Picasso

Messagepar baloo » 03 Mars 2015, 19:59

Bonsoir

Je vais me lancer, j'attend de recevoir mes leds 2 mm, je te tiens informé
Merci de ton aide
baloo
 
Message(s) : 221
Inscrit le : 28 Octobre 2014, 19:36

Re: eclairage avant et arriere Picasso

Messagepar baloo » 03 Mars 2015, 20:00

j'ai oublié de te demander l
pour les leds dites trois pattes comment on les branchent
Merci
baloo
 
Message(s) : 221
Inscrit le : 28 Octobre 2014, 19:36

Re: eclairage avant et arriere Picasso

Messagepar JH » 03 Mars 2015, 21:53

Une patte est le commun, le + fil bleu vers le décodeur
Une autre allume le feux blanc, c'est le - fil blanc vers le décodeur
dernière patte allume le feu rouge, c'est encore le - fil jaune vers le décodeur
Pour être sur tu fait l' essais avec la pile et la résistance;
Cordialement Jacques
Intellibox + EcoS n/b + HSI88 + RM-GB-8-N + LS 150 + Tortoise + signaux Drim3d +voies Tillig + Windigipet pro X 1.3 PC Windows 10 + moniteur
Avatar de l’utilisateur
JH
 
Message(s) : 336
Inscrit le : 04 Mars 2009, 01:00

Re: eclairage avant et arriere Picasso

Messagepar alain.trinquet » 03 Mars 2015, 23:30

JH a écrit:Une patte est le commun, le + fil bleu vers le décodeur
A condition que la led bicolore soit à anode commune.
Est ce bien le cas ?
Intellibox / z21 / LokProgrammer / Décodeurs ESU, Lenz, Zimo, Kuehn, CT-Elektronic, Leb
Avatar de l’utilisateur
alain.trinquet
 
Message(s) : 1101
Inscrit le : 10 Avril 2005, 00:00
Localisation : 17 et 86

Suivant

Retour vers ELECTRICITE - ELECTRONIQUE (hors Digital)

Qui est en ligne ?

Utilisateur(s) parcourant ce forum : Aucun utilisateur inscrit et 2 invité(s)

cron