par JH » 09 Janvier 2015, 11:47
Bonjour a tous,
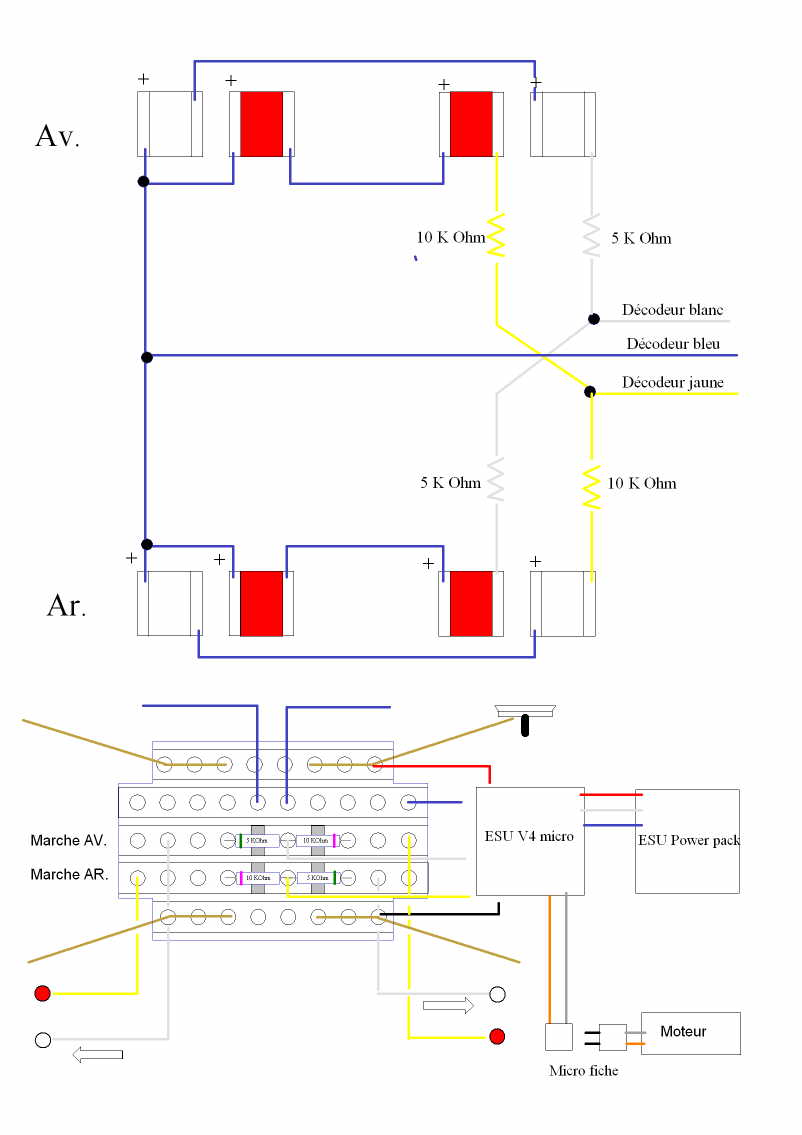
J' ai un Power pack de ESU. Ma première idée était d'enlever la gaine de protection et de déplier le condensateur. Celui-ci passe sous l'essieu d'appuis de la grue, le reste du circuit trouve sa place a coté de la plaque porte contact des roues. Si le power pack s'intègre bien dans ce cas, le décodeur ne trouve plus sa place!
Retour a la case départ, le condensateur remis a sa place, j'ai replacé une gaine thermo de couleur noire. Deuxième possibilité : dans la cabine. Après essais, la gaine noire se voit peu, c'est le plus simple. Troisième: sur le plateau caché dans une caisse en bois ???
Si le principe du power pack est super le raccordement au décodeur n'est pas facile. Trois micro soudure.....J'ai utilisé un fer pour CMS et une lampe loupe et du calme !!!!! Il y a trois fils à souder, un rouge, un blanc, et un noir
A bientôt la suite.
- Pièces jointes
-

- Soudure des fils du Power pack sur le V4 micro
- DSCF1808.JPG (114.29 Kio) Consulté 11079 fois
Intellibox + EcoS n/b + HSI88 + RM-GB-8-N + LS 150 + Tortoise + signaux Drim3d +voies Tillig + Windigipet pro X 1.3 PC Windows 10 + moniteur