home

Feux fin convoi

Dans cette rubrique faites nous part de vos réalisations, vos recherches astuces conseils afin que nous puissions tous soit vous aider ou partager ce que vous avez réalisé.

Re : Feux fin convoi

Messagepar alain.trinquet » 19 Juillet 2009, 13:06

Mdr !!!
Intellibox / z21 / LokProgrammer / Décodeurs ESU, Lenz, Zimo, Kuehn, CT-Elektronic, Leb
Avatar de l’utilisateur
alain.trinquet
 
Message(s) : 1101
Inscrit le : 10 Avril 2005, 00:00
Localisation : 17 et 86

Re : Feux fin convoi

Messagepar fabounet » 19 Juillet 2009, 15:12

Mais euh



Et puis c'était pas la faute de l'alim, mais de l'Ecos, ça demande trop de puissance cet engin
Fab - régulateur intérimaire du PK, spécialisé en communication via talkie walkie
Avatar de l’utilisateur
fabounet
 
Message(s) : 190
Inscrit le : 10 Avril 2005, 00:00

Re : Feux fin convoi

Messagepar alain.trinquet » 19 Août 2009, 18:10

Bon, ça avance doucement ...

J'ai mis en place des lamelles pour la prise de courant : j'ai préféré en mettre 4 (une sur chaque roue) et en plus, ça ne se voit quasiment pas !

20090819180840.jpg
20090819180840.jpg (73.78 Kio) Consulté 7708 fois


Reste plus qu'à faire le branchement électrique et la peinture des lanternes. ;)
Intellibox / z21 / LokProgrammer / Décodeurs ESU, Lenz, Zimo, Kuehn, CT-Elektronic, Leb
Avatar de l’utilisateur
alain.trinquet
 
Message(s) : 1101
Inscrit le : 10 Avril 2005, 00:00
Localisation : 17 et 86

Re : Feux fin convoi

Messagepar fabounet » 19 Août 2009, 18:58

Ah mais c'était toujours pas fini ces lanternes ?



Bon je dis rien au moins tu fais du train toi, parce que du coté de Poitiers, j'avance pas à grand chose...



PS : J'ai bien regardé que c'était le bon nom de famille 8-)
Fab - régulateur intérimaire du PK, spécialisé en communication via talkie walkie
Avatar de l’utilisateur
fabounet
 
Message(s) : 190
Inscrit le : 10 Avril 2005, 00:00

Re : Feux fin convoi

Messagepar fabounet » 05 Septembre 2009, 18:17

AAALLLAAINNNNNN,



J'ai retrouvé le pot d'humbrol jaune :mrgreen: .



Je vais faire tous les tests qualités possibles pour être sur que cette fois ci je donne quelque chose en bon état .



;)
Fab - régulateur intérimaire du PK, spécialisé en communication via talkie walkie
Avatar de l’utilisateur
fabounet
 
Message(s) : 190
Inscrit le : 10 Avril 2005, 00:00

Re : Feux fin convoi

Messagepar allain.michel » 06 Septembre 2009, 10:28

Salut,MICHEL ,du 85, pour le montage électrique final , de quoi est il composer exactement ,voir si possible un plan simplifier de celui ci (LED, valeur des condensateurs etc;;;;;;merci
TGV-vendeen:analogique + REGULATEUR R.E.T JOUEF
Avatar de l’utilisateur
allain.michel
 
Message(s) : 1
Inscrit le : 29 Août 2006, 00:00

Re : Feux fin convoi

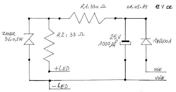
Messagepar c.delarnaque » 06 Septembre 2009, 13:13

Salut,



Bien joué Alain pour les lamelles de captage électrique. J'ai profité de mes derniers moments de congés pour modifier (en conservant le même circuit imprimé) la version de 1995 qui équipait mes véhicules placés en fin de rames (12 V continu) :

20090906125941.jpg
20090906125941.jpg (15.71 Kio) Consulté 7708 fois


Remplacement de l'unique diode de protection 1N4001 par un pont de diodes (éclairage des feux quel que soit le sens de marche) et du condensateur 1000 uF par un 2200 uF pour éviter les clignotements dûs aux faux contacts dans le captage électrique. Je pensais que le gain de 1200 uF améliorerait sensiblement le temps d'allumage des feux à l'arrêt, mais ce n'est pas très flagrant :

20090906130528.jpg
20090906130528.jpg (17.89 Kio) Consulté 7708 fois


Les deux leds sont montées en parallèle, paraît qu'il faut éviter et préférer un montage en série ! Mais puisquele montage fonctionne, je laisse tel quel.



Cordialement,
C. Delarnaque
Avatar de l’utilisateur
c.delarnaque
 
Message(s) : 1400
Inscrit le : 13 Juin 2005, 00:00

Re : Feux fin convoi

Messagepar c.delarnaque » 06 Septembre 2009, 13:17

Au sommaire du prochain numéro d'Octobre de la revue RMF : réalisez des lanternes de fin de convoi.



Cordialement,
C. Delarnaque
Avatar de l’utilisateur
c.delarnaque
 
Message(s) : 1400
Inscrit le : 13 Juin 2005, 00:00

Re : Feux fin convoi

Messagepar alain.trinquet » 07 Septembre 2009, 11:39

[quote][i]BONNET Fabien à écrit :[/i] AAALLLAAINNNNNN,

J'ai retrouvé le pot d'humbrol jaune :mrgreen: .

...

;) [/quote]Merci, je passerai te voir un soir pour voir ce que ça peut donner.

A+
Intellibox / z21 / LokProgrammer / Décodeurs ESU, Lenz, Zimo, Kuehn, CT-Elektronic, Leb
Avatar de l’utilisateur
alain.trinquet
 
Message(s) : 1101
Inscrit le : 10 Avril 2005, 00:00
Localisation : 17 et 86

Re : Feux fin convoi

Messagepar alain.trinquet » 07 Septembre 2009, 12:26

[quote][i]DELARNAQUE C à écrit :[/i]

Salut,

Bien joué Alain pour les lamelles de captage électrique. J'ai profité de mes derniers moments de congés pour modifier (en conservant le même circuit imprimé) la version de 1995 qui équipait mes véhicules placés en fin de rames (12 V continu) :

Remplacement de l'unique diode de protection 1N4001 par un pont de diodes (éclairage des feux quel que soit le sens de marche) et du condensateur 1000 uF par un 2200 uF pour éviter les clignotements dûs aux faux contacts dans le captage électrique. Je pensais que le gain de 1200 uF améliorerait sensiblement le temps d'allumage des feux à l'arrêt, mais ce n'est pas très flagrant :

Les deux leds sont montées en parallèle, paraît qu'il faut éviter et préférer un montage en série ! Mais puisquele montage fonctionne, je laisse tel quel.

Cordialement,[/quote]J'ai prévu quelque chose de similaire :

[*]diode ou pont de diodes, tant qu'à faire !

[*]condensateur de 2200 ou 4700 uF / 25V

[*]résistance d'environ 100 Ohms en série entre le pont de diodes et le condensateur pour limiter le fort appel de courant de charge du condensateur.

Par contre, je n'utilise pas de diode Zener car cela consomme du courant et réduit beaucoup le temps d'allumage. Mais comme tu le précises, je préfère mettre mes leds en série pour que le courant "pompé" sur le condensateur soit plus faible et augmenter le temps d'allumage.

Je suis en DCC donc la voie est constamment alimentée. Mon objectif est simplement de palier les courtes pertes de captage d'alimentation dues aux mauvais contacts et au faible nombre d'essieux capteurs ; une autonomie de quelques secondes (2 ou 3 secondes maxi) est amplement suffisant pour moi. Je mets une résistance d'environ 4.7kOhm en série avec les leds. Je mettrais un schéma complet dès que j'aurais le temps.



Sinon, il existe aussi un petit montage très simple pour obtenir un courant constant en utilisant un transistor BF245 qui a été publié sur Ptitrain :

[url]http://www.ptitrain.com/electronique/meccano/pages2002/sce_courant1.htm[/url]

Je vais aussi l'essayer ...
Intellibox / z21 / LokProgrammer / Décodeurs ESU, Lenz, Zimo, Kuehn, CT-Elektronic, Leb
Avatar de l’utilisateur
alain.trinquet
 
Message(s) : 1101
Inscrit le : 10 Avril 2005, 00:00
Localisation : 17 et 86

Précédent

Retour vers VOTRE RESEAU, VOS REALISATIONS, VOS INTERROGATIONS

Qui est en ligne ?

Utilisateur(s) parcourant ce forum : Aucun utilisateur inscrit et 23 invité(s)