Bon,
j'ai trouvé cela:
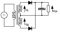
Redressement double alternance.
Les hypothèses seront les mêmes que précédemment. La seule différence viendra du temps T ; vu qu'on a un redressement double alternance, la fréquence du courant redressé est double de celle du secteur. La formule de calcul du condensateur devient donc :
Comme dans la formule [4], F est la fréquence secteur (50Hz en France).
A chute de tension égale, le condensateur sera donc deux fois plus petit que pour le redressement simple alternance, ce qui est intéressant, vu la taille importante de ces composants.
La diode aura à tenir deux fois la tension crête délivrée par chaque enroulement du transformateur.

- 20070206203059.gif (1.13 Kio) Consulté 7227 fois