home

Portée de caténaire 1,5KV

Dans cette rubrique on discute autour des trains réels des infrastructures, et de tout ce qui touche au monde ferroviaire à l'échelle 1:1 !

Re : Portée de caténaire 1,5KV

Messagepar c.delarnaque » 17 Août 2009, 07:47

Salut Rolland,



Ton ébauche est déjà bien prometteuse et bravo pour ton excellente idée de partage, bien dans l’esprit qui règne sur ce forum. Sans fausse modestie ni la moindre prétention, je ne suis pas mécontent du travail des gros doigts de mes deux mains gauches. J’ai conscience de ne pouvoir jamais atteindre de façon manuelle la qualité de réalisation obtenu par photodécoupe (JP PENNATI) mais je me suis fait plaisir avec cette production 100 % personnelle.

Pour coller un peu plus à la réalité, j’ai pensé améliorer la reproduction en utilisant entre autres des profilés plus fins ou les côtes réelles réduites au 1/87. Donc en approfondissant mes recherches, j’ai trouvé des renseignements dans le :

2009081772339.jpg
2009081772339.jpg (41.56 Kio) Consulté 8395 fois




Ce mémento de 769 pages au format 15 cm x 21 cm donne la description générale des divers modes d’équipement avec les caractéristiques particulières. Parmi les différents supports employés pour le maintien des caténaires, certains me semblent difficilement réalisables en HO :

Poteaux en poutrelle HEA et HEB

Poteaux métalliques type Paris – Le Mans

Poteaux métalliques type Brive – Montauban

Poteaux béton FREYSSINET

Poteaux métalliques type Paris – Lyon

Poteaux béton type Paris – Lyon

Poteaux en HEA et HEB jumelés par fers plats soudés sans parler des poteaux Sud-Ouest en ogives sur la ligne des Landes.

Je me suis vite rendu compte qu’à mon niveau (équipement, temps libre ou dextérité) pour la réalisation des poteaux, je devais pour l’instant me contenter de reproduire les supports en profilés H. Je n’ai bien sûr pas pris le temps d’explorer complètement le document mais il me semble que les dimensions (section et longueur) du poteau en poutrelles H sont définies par l’armement de la ligne (voie principale ou secondaire, support 1 voie, 2 voies, 3 voies, … caténaire renforcée, normale ou légère, …) ou bien encore la nature du terrain (implantation et massifs d’ancrage). Dans la majorité des cas de figure, les principales mesures prises en compte sont la hauteur du fil de contact par rapport au plan de roulement ainsi que la distance entre le porteur principal (sous la chaine de suspension) et le fil de contact.

2009081772526.jpg
2009081772526.jpg (25.38 Kio) Consulté 8395 fois




Sur mon précédent schéma HO j’ai oublié de noter la longueur de la console supportant la chaine de suspension : 50 m/m. J'essaie de scanner et t'adresser de la doc exploitable (haute résolution) d'ici la fin de la semaine (car après : quelques jours de congés ... sans PC, Mâme Delarnaque est allergique ).



Cordialement,
C. Delarnaque
Avatar de l’utilisateur
c.delarnaque
 
Message(s) : 1400
Inscrit le : 13 Juin 2005, 00:00

Re : Portée de caténaire 1,5KV

Messagepar PREUX Rolland » 17 Août 2009, 17:19

Bonjour,



Merci pour ta réponse et tout ces éclaircissements.

Pour ce qui est de la réalisation de tes poteaux en H maison, je trouve qu'ils sont bien réalisé et franchement si je pouvais faire les miens aussi beaux que les tiens, je serais le plus heureux des modelistes!

J'ai cru comprendre que tu étais dans le club d'Ambérieu en Bugey, J'en ai fait parti aussi lorsque j'habitais cette ville, il y a déja près de 22 ans! Des souvenirs innoubliables avec en point d'orgue la venue de la 141 R de Clermont Ferrand.

Je dessine sur AutoCAD en 3D toute sorte de choses ferroviaires et si je peux aider d'autres modelistes, cela me sortira de mon isolement géographique ou la tranquilité des lieux et aussi le desert d'amateur de petits trains.



Salutations.



Rolland
20090817171935.gif
20090817171935.gif (77.17 Kio) Consulté 8395 fois
Rolland Preux
Avatar de l’utilisateur
PREUX Rolland
 
Message(s) : 0
Inscrit le : 09 Août 2009, 00:00

Re : Portée de caténaire 1,5KV

Messagepar guy.baussart » 31 Août 2009, 15:37

Bonjour C.DELARNAQUE,



je rentre de vacances des landes ou j'ai pu apprécier la caténaire ogive sur facture _ dax.



j'ai lu avec attention les réponses que tu m'apportes pour la confection de la caténaire.

je pense avoir tous les éléments pour débuter les travaux. je me rendrais ultérieurement sur les 2 sites que tu me proposes.

Encore une fois merci de ton aide si précieuse qui ferait pallir quelques membres du PK 149.

Je n'ai rien dit car je ne cite personne...ih,ih,ih !



Cordialement,

Le Calais-Bale
Calais Bale
Avatar de l’utilisateur
guy.baussart
 
Message(s) : 369
Inscrit le : 14 Juillet 2006, 00:00

Re : Portée de caténaire 1,5KV

Messagepar PREUX Rolland » 05 Septembre 2009, 14:09

Bonjour,



J'ai bien reçu tes fichiers PDF et les ai visualisé longuement; C'est vraiment parfait car pour moi déssinateur, je préfère toujours partir de la réalité à l'échelle un pour mes plans. Bien sur comme tout le monde mon utopie s'arrete là ou commence les possibilités de fabrication à notre échelle HO et à la disponibilité des profilés ou de la fabrication en découpe chimique ou pourquoi pas laser.

Je te remercie de ton travail très édifiant sur ce sujet souvent survolé à grande vitesse par nos revues préférées...

J'ai réalisé les plans détaillés de ce poteau type leger et j'ai un problème pour les publiés dans le forum à cause du poids (150ko maxi) et transformés en format GIF la lecture est très mauvaise. Je pense fabriquer mon site internet pour les publier et éditer le lien dans le forum.

Si tu as une autre façon de faire, je suis preneur et bien que je pratique l'informatique depuis déja trente ans et l'internet depuis ses débuts avec à l'époque les seuls serveurs américains, je suis novice pour ce qui est les communications car j'ai toujours utilisé internet comme une immense encyclopédie et redouté jusqu'alors les forums et autres ou il se dit tellement de choses et surtout de l'inutile et du pas beau...

J'ai longuement observé avant de me lancer dans l'aventure en trouvant ce forum très sérieux tout en ne se pernant pas la tête!!!



Autre chose, je déménage dans quinze jours et ma ligne internet va être coupée une quinzaine pour parait'il transfèrer le compte qui ne change pas, non plus que la ligne et le numéro téléphonique? Ou est le progrès tant annoncé? !!!



En tout cas ma consolation sera ma nouvelle piece de train quatre fois plus grande que celle que j'utilise actuellement... (près de quarante mètres carré)



Donc le quinze septembre, rideau sur mes comunications j'usqu'à leur bon vouloir... On sent une pointe de colère n'est ce pas?



Je vous passe encore quelques vues en 3D du poteau renforcé 1500 volt.



salutations.



Rolland
20090905140911.gif
20090905140911.gif (129.17 Kio) Consulté 8395 fois

20090905140912.gif
20090905140912.gif (124.84 Kio) Consulté 8395 fois
Rolland Preux
Avatar de l’utilisateur
PREUX Rolland
 
Message(s) : 0
Inscrit le : 09 Août 2009, 00:00

Re : Portée de caténaire 1,5KV

Messagepar PREUX Rolland » 05 Septembre 2009, 14:10

Encore quelques vues...
20090905141056.gif
20090905141056.gif (134.46 Kio) Consulté 8395 fois

20090905141057.gif
20090905141057.gif (118.19 Kio) Consulté 8395 fois
Rolland Preux
Avatar de l’utilisateur
PREUX Rolland
 
Message(s) : 0
Inscrit le : 09 Août 2009, 00:00

Re : Portée de caténaire 1,5KV

Messagepar PREUX Rolland » 07 Septembre 2009, 12:26

Bonjour,



Je crois avoir trouvé l'astuce pour publier les plans Autocad en fichiers GIF lisibles...



Voici donc ceux du poteau de catènaire type H leger, plan d'ensemble et plan de détails.



Salutations



Rolland
Rolland Preux
Avatar de l’utilisateur
PREUX Rolland
 
Message(s) : 0
Inscrit le : 09 Août 2009, 00:00

Re : Portée de caténaire 1,5KV

Messagepar PREUX Rolland » 07 Septembre 2009, 12:29

Les deux premiers...
20090907122956.gif
20090907122956.gif (5.33 Kio) Consulté 8395 fois

20090907122957.gif
20090907122957.gif (3.9 Kio) Consulté 8395 fois
Rolland Preux
Avatar de l’utilisateur
PREUX Rolland
 
Message(s) : 0
Inscrit le : 09 Août 2009, 00:00

Re : Portée de caténaire 1,5KV

Messagepar PREUX Rolland » 07 Septembre 2009, 12:35

Bon cela ne va pas, c'est ilisible!



Je vais encore chercher...



rolland
Rolland Preux
Avatar de l’utilisateur
PREUX Rolland
 
Message(s) : 0
Inscrit le : 09 Août 2009, 00:00

Re : Portée de caténaire 1,5KV

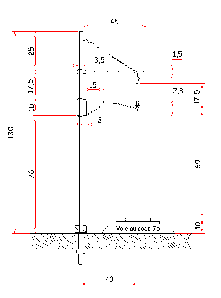
Messagepar PREUX Rolland » 07 Septembre 2009, 13:43

Rebonjour,



Peut être v'ai je y arriver?



On voit...



Rolland
20090907134358.jpg
20090907134358.jpg (38.3 Kio) Consulté 8395 fois

20090907134359.jpg
20090907134359.jpg (24.9 Kio) Consulté 8395 fois
Rolland Preux
Avatar de l’utilisateur
PREUX Rolland
 
Message(s) : 0
Inscrit le : 09 Août 2009, 00:00

Re : Portée de caténaire 1,5KV

Messagepar PREUX Rolland » 07 Septembre 2009, 13:45

Ca a l'air bon, continuons!
20090907134511.jpg
20090907134511.jpg (67.31 Kio) Consulté 8448 fois

20090907134513.jpg
20090907134513.jpg (30.98 Kio) Consulté 8448 fois
Rolland Preux
Avatar de l’utilisateur
PREUX Rolland
 
Message(s) : 0
Inscrit le : 09 Août 2009, 00:00

PrécédentSuivant

Retour vers LE MONDE FERROVIAIRE REEL

Qui est en ligne ?

Utilisateur(s) parcourant ce forum : Aucun utilisateur inscrit et 26 invité(s)